数字电子技术
进制转换



编码
- 原码
用符号位表示二进制数的正负,这种形式的数称为原码。
最高位作为符号位,0表示正,1表示负。正数的反码、补码与原码相同。
- 负数的反码和补码
① 符号位不变,数值部分按位求反,就得到了反码。
② 反码+1(符号位不变),即得补码。
③ 补码的补码等于原码。故由补码求原码,就是求补码的补码。





逻辑运算与门电路
与或非


A和1同或是A,A和0同或是A非
找AB同时为1的项和CD同时为1的项结果为0,其他结果为1,可快速求出真值表。
【总结】可通过分析逻辑表达式逻辑功能,快速写出对应的真值表

门电路

竞争冒险
1型冒险
AA' = 0
0型冒险
A+A' = 0


消除冒险

逻辑代数
基本定律
01律
1.或运算 A + 0 = A
A + 1 = 1
A + A = A
A + A` = 1
2.与运算
A
A
A
A
交换律
A + B = B + A
A
结合律
A + (B + C ) = (A + B) + C
A
分配律
A
A + BC = (A + B)
反演律
(A + B)' = A'
(A
(A + B + C +
(A
吸收律
A + AB = A
A(A + B) = A
A + A'B = A + B
(A + B)(A + C) = A + BC
AB + A'C + BC = AB + A'C
AB + A'C + BCD
(A + B)(A' + C)(B + C + 
对偶规则
若两逻辑式相等,则对应的对偶式也相等
最小项
二进制转十进制
A'B'C =
ABC =
最小项最大项性质
① 任意一个最小(大)项,有且仅有一组变量取值使它的值为1(0)。 ②
芯片
编码器
编码器:输入是一组高、低电平信号,输出是代表不同的事物二进制代码
74148芯片

级联为16-4线

8421BCD编码器

译码器
译码器:输入是一组二进制代码,代表不同的事物,输出是一组高、低电平信号。
三位二进制译码器

73138译码器
S为控制端(又称使能端), S=1 译码工作; S=0 禁止译码, 输出全1 。

级联为4-16线译码器

二-十进制译码器

用MSI译码器实现组合逻辑函数
步骤
基本原理
3位二进制译码器给出3变量的全部最小项;
n位二进制译码器给出n变量的全部最小项;
任意函数
将n位二进制译码输出的最小项组合起来,可获得任何形式的输入变量不大于n的组合函数
(1)根据译码器输出特点,将函数转换成相应形式(最小项);
(2)将相应输出端信号进行相或/相与.
【例题】
【例题2】
全加器

触发器
RS触发器
基本触发器
(1)逻辑图

(2)特性表


(3)逻辑符号
与非门构成的RS触发器

或非门构成的RS触发器

同步RS触发器
(1)逻辑图

触发方式:电平触发方式,只有CP=1时(高电平有效),触发器的状态才由输入信号R和S来决定。
(2)特性表

S为高电平有效触发
R为高电平有效触发
R、S不允许同时为1(即:约束条件:
(3)逻辑符号

(4)状态转换图

同步主从触发器

先求主触发器的输出,
将主触发器的输出作为输入段,
求出Q
【规律】 主触发器CP = 1接收信号
输出Q下降沿触发
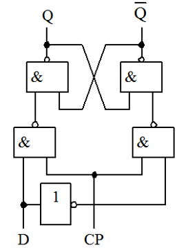
D触发器
D触发器:为了避免R和S同为1的情况出现,在R和S之间加一个非门,这种触发器就是D触发器。
(1)逻辑图

(2)功能表
(3)特征方程
(4)逻辑符号

(5)状态转换图

JK触发器
(1)逻辑图

(2)功能表
主触发器在CP=1期间均可以接收输入信号,从触发器的状态只在CP从1->0时发生变化。

(3)逻辑符号

(4)特征方程
T触发器
(2)特性表

(3)逻辑符号

(4)特征方程
边沿触发器

触发器总结


芯片总结
8线-3线优先编码器74148
8线-3线优先编码器74148


3线-8线译码器74138

S为控制端(又称使能端), S=1 译码工作; S=0 禁止译码, 输出全1。

全加器


MSI74283加法器
四位二进制超前进位加法器


MSI7485比较器


74151八选一数据选择器


74153四选一数据选择器

74163计数器
74163是中规模集成四位同步二进制加法计数器,计数范围是0~15。它具有同步置数、同步清零、保持和二进制加法计数等逻辑功能。


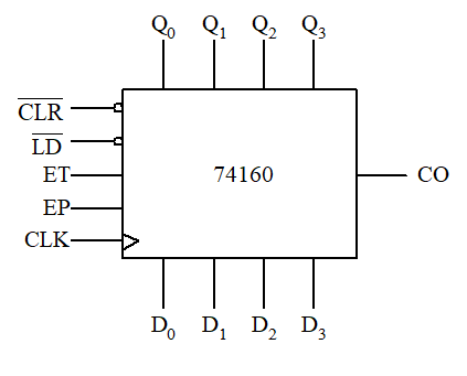
74160计数器
74160是中规模集成8421BCD码同步十进制加法计数器,计数范围是0~9。它具有同步置数、异步清零、保持和十进制加法计数等逻辑功能。


74191计数器
74191是中规模集成四位单时钟同步二进制加/减可逆计数器,计数范围是0~15。它具有异步置数、保持、二进制加法计数和二进制减法计数等逻辑功能。


数模/模数转换
数模转换器
n位权电阻网络D/A转换器:
特点:结构比较简单,所用的电阻元件数很少。
缺点:各个电阻的阻值相差较大,尤其在输入信号的位数较多时,这个问题就更加突出。

